Превентивная Система Экстренного Торможения PEBS

Современные активные системы безопасности автомобиля, над созданием которых работают специалисты Bosch, не просто снижают тяжесть аварий — они предотвращают столкновения на дорогах как таковые. Развитие Антиблокировочной Системы Тормозов ABS, Программы Электронной Стабилизации ESP ® , их интеграция с различными датчиками контроля и слежения для реализации дополнительных функций позволяют сокращать число ДТП и обеспечивать безопасность дорожного движения — задачи, решением которых сегодня заняты правительства ведущих стран мира.
Системы ABS/ESP в России в 2010 г.
В 2010 г. компания Bosch начала серийное производство ABS и ESP 9-го поколения. Отличительные черты новых систем — компактность, легкий вес (ABS — 1,1 кг, ESP — 1,6 кг) и гибкость в использовании. Системы построены на основе модульной технологии, что позволяет применять их в автомобилях различных классов. Так, с учетом потребностей развивающихся стран Bosch предлагает эффективные решения для моделей эконом-класса, которые ранее не оснащались активными системами безопасности. В зависимости от ценовой категории автомобиля производители могут расширять функционал систем.
Возможность оснащения ABS и ESP 9-го поколения автомобилей любой категории открывает путь к их широкому распространению в России, что, в свою очередь, положительно скажется на уровне безопасности дорожного движения в стране.
Однако, несмотря на то, что в России системами ABS и ESP комплектуется все больше моделей, уровень оснащенности ими в 2010 г. оставался невысоким: доля оснащения системой ABS составила 57%, ESP — 20%. По-прежнему сохраняется значительный потенциал для увеличения уровня оснащения ими автомобилей малого, мини-, компакт-классов и класса внедорожников.
По сравнению с 2009 г. доля оснащения автомобилей системой ABS в 2010 г. уменьшилась на 1%. Эту тенденцию можно связать с программой утилизации, начатой в 2010 г. Падение доли оснащения отмечается прежде всего в классе малых автомобилей и классе внедорожников: в первом случае она составила 26% по сравнению с 28% в 2009 г., во втором — 74% против 76% в предыдущем году. В ходе реализации программы выросли продажи автомобилей именно этих классов, причем в более дешевых комплектациях, без ABS. В то же время ABS в 2010 г. стала стандартной опцией для автомобилей не только бизнес-класса и класса люкс, как в 2009 г., но и среднего класса.
Уровень оснащенности ESP в 2010 г. по сравнению с 2009 г. вырос на 1%. Доля оснащения автомобилей мини- и малого класса осталась неизменной и равна 1%, в остальных классах наблюдается рост. Тем не менее, общая доля ESP пока составляет всего 20%.
По данным исследований, система позволяет сохранять контроль над автомобилем в критических ситуациях, избегая столкновения, в 80% случаев. Поэтому вопрос обязательного включения ESP в автокомплектацию вынесен на государственный уровень. Согласно утвержденному в сентябре 2010 г. техническому регламенту «О безопасности колесных транспортных средств» ESP в России будет обязательна с 2014 г. для всех новых типов транспортных средств категорий M1, N1 и с 2016 г. — для всех новых транспортных средств категорий M2, N2, M3 и N3.
Помощь при угрозе столкновения с впереди идущим автомобилем
По данным исследований, примерно 16% аварий в Европе, 28% в США и 32% в Японии — это столкновения с автомобилем, движущимся впереди. Приблизительно 4 из 5 таких ДТП происходит с легковыми автомобилями. Предотвратить удар — задача, с которой эффективно справляется передовая разработка Bosch Превентивная Система Экстренного Торможения (PEBS).
Столкновения с впереди идущим транспортным средством обычно случаются в результате невнимательности водителя или из-за недооценки им критической ситуации на дороге. Аварии подобного типа происходят как на городских улицах, так и на трассах вне пределов города. Как правило, в городе такие столкновения обходятся без человеческих жертв, тем не менее, часты травмы спины и шеи и повреждения автомобилей. PEBS — это модульная технология, основанная на использовании системы ESP, радара и видеокамеры. Она предупреждает водителя об опасности столкновения, помогает при торможении и полностью останавливает автомобиль, если столкновение неизбежно.
Компания Bosch разработала Превентивную Систему Экстренного Торможения специально для аварийных ситуаций, возникающих при движении на низких скоростях. Система активна при скорости ниже 30 км/ч. Если расстояние до впереди идущего автомобиля становится критическим, она готовится к возможному экстренному торможению. Благодаря этому у водителя появляются ценные секунды для того, чтобы начать торможение раньше. Если же он не реагирует и столкновение неизбежно, срабатывает функция полного автоматического торможения.
В то же время Превентивная Система Экстренного Торможения способна эффективно помочь и на скорости выше 30 км/ч. Когда расстояние до впереди идущего транспортного средства становится критическим, срабатывает Предупреждение о Возможном Столкновении. Система оценивает расстояние между автомобилями и подает звуковой и/или визуальный сигналы, затем включается осязательное оповещение (например, резкий тормозной толчок, во время которого машина резко притормаживает, что позволяет активизировать внимание водителя). Момент оповещения зависит от действий водителя; если он бездействует, сигнал подается раньше. На этой стадии PEBS способна снизить вероятность столкновения на 38%.
Вместе с Системой Предупреждения о Возможном Столкновении включается Система Помощи при Экстренном Торможении. Информация от сенсорного радара используется для расчета давления на педаль тормоза, необходимого для предотвращения аварии. Если водитель тормозит недостаточно, система усиливает давление. Система Помощи при Экстренном Торможении способна снизить вероятность столкновения на 55%.
Если водитель не реагирует на частичное торможение автомобиля и столкновение с идущим впереди транспортом становится неизбежным, срабатывает функция Автоматического Экстренного Торможения. Она полностью останавливает автомобиль, чтобы снизить скорость в момент удара и уменьшить последствия аварии. Снижение скорости в момент столкновения оценивается в пределах 25-55%. Автоматическое Экстренное Торможение может снизить вероятность столкновения на 72%.
Превентивная Система Экстренного Торможения — действенный способ сократить число жертв в результате ДТП. В странах ЕС установка передовых Систем Экстренного Торможения для автомобилей класса M2, M3, N2 и N3 станет обязательной уже к ноябрю 2015 г.
Bosch начала серийное производство Превентивной Системы Экстренного Торможения в 2010 г. Выпуск модификации, срабатывающей на низких скоростях, планируется в 2011 г.
Алгоритм оценки стиля вождения водителя грузового (коммерческого) автомобиля
2021 год. IoT окружил нас с Вами со всех сторон. GPS/GLONASS трэкерами и всевозможными облачными платформами слежения нас зазывают со всех сторон. Казалось бы, с чего вдруг я решил, что данный пост имеет актуальность?! Но не все так однозначно — давайте разбираться!
Ни для кого не секрет, что основной статьей затрат при автомобильных грузоперевозках является стоимость топлива. Все участники данной игры (Автомобильные грузоперевозки) прилагают максимум усилий для минимизации данной статьи расходов. Автопроизводители бесконечно совершенствуют свои модели автомобилей, предлагая все более производительные, безопасные и экономичные седельные тягачи. Развитые страны строят более экономичные автомагистрали.
Логистические компании выстраивают более оптимальные логистические маршруты и казалось бы все движется только вверх и вперед и с каждым годом расходы транспортной компании на топливо должны уменьшаться! Но в жизни получается не так. Несомненно, если сравнивать 1990,2000 и 2010 года, то по мере обновления моделей грузовых автомобилей, расход топлива стремительно сокращался. К примеру для грузовиков 1990 года выпуска при перевозке 20 тонн груза расход топлива 45л/100км считался нормальным. Моделям 2000-х годов удавалось выйти из 40л/100км расхода топлива, а грузовики 2010 годов выпуска уже могли хвастаться расходом 30-35 л/100км пути. Но что происходит сейчас, в 2021году? Современные модели грузовиков заявляют о паспортных расходах в 21. 23. 25л/100км, но в реальных условиях транспортные компании получают средний расход автомобилей в районе 30-31л/100км. Встает резонный вопрос?
Получается что автопроизводители лгут и их автомобили не стали более экономичными и это всего лишь маркетинговые ходы? На самом деле нет — проблема кроется в другом.
Автопроизводители, как и производители электроники, очень сильно шагнули вперед и автомобили обогнали в своем развитии людей, которые их эксплуатируют. Ситуация стала такова, что люди, управляющие современными грузовыми автомобилями, не могут раскрыть полный потенциал автомобиля с точки зрения расхода топлива.

Навык эффективного вождения — это такой же полноценный навык, как и умение управлять мотоциклом, или езды на горными лыжами. Конечно, проехать на мотоцикле по прямой и спуститься на лыжах может, в принципе, каждый, но чтобы стать мастером в этом деле — необходимо учиться и бесконечно тренироваться.
Но, казалось бы, с этим у нас тоже должно быть все в порядке. Практически все навигационные системы и GPS/Glonass трэкеры имеют опцию ECO DRIVING которая должна оценивать водителя. Но вот тут как раз таки маркетинг чистой воды!) Опция вроде бы есть, а вот толку от нее нет!
Проанализировав большую часть предложенных решений на рынке, оказалось, что разработчики не стали заморачиваться над проблемой и взяли в основу довольно примитивную методику оценки:
Алгоритмы ECO Driving
Хотел было я дать комментарий к каждому параметру, в чем его + и -, но текста получилось на 3 страницы) В общем, если подвести жирную черту ИТОГО, то эти критерии оценки стиля вождения водителя настолько сильно обобщенные, что более половины ситуаций не анализируются данными критериями, а если и рассматриваются — то безобоснованно штрафуют водителей за ситуации, на которые они не влияют. К примеру критерий Остановки — за рейс Москва — Париж — Москва, автомобиль сделал 157 остановок, из них 54 остановки — это пробки, 82 остановки — это прохождение очередей на границах. 13 остановок — это загрузки/выгрузки/растаможки, и всего 8 остановок были инициированы водителем. А по данной системе оценится он по всем 157 остановкам. ) Системы оценки стиля вождения, основанные на схожих алгоритмах больше игрушка, нежели инструмент оптимизации и управления.
Что же, начнем строить свои алгоритмы!
За исходные данные мы берем седельный тягач, с расширенным CAN протоколом, цифровой ДУТ, вариации с количеством ступеней неизнашивающихся тормозных систем и наличие встроенных электронных помощников (круиз контроль, система аварийного торможения, система слежения за разметкой, система учета рельефа местности и пр.) без привязки к марке грузовика. МКПП и АКПП. Электронная педаль газа и наличием системы EBS не старше 2006г. ПО верхнего уровня Wialon. Выбор обусловлен всеядностью платформы с точки зрения телематического оборудования. GPS трэкер с интерфейсами RS,1-wire, BT, CAN BUS. Дополнительные модули RFID, выносной модуль вибраций (удара). И конечно же нам понадобится гибкая логика, что то вроде Easy Logic от Galileosky.
Итак, начнем, пожалуй, с самого энергозатратного с точки зрения автомобиля параметра.
Превентивная езда/ Режим разгона
Данный критерий характеризует способность водителя к предусмотрительному вождению, т.е. умению водителя прогнозировать и предусматривать дорожную обстановку и принимать управляющее воздействие на автомобиль во время разгона до события, а не по факту. Основная задача избегать РЕЗКИХ управляющих воздействий
Пример: водитель начинает движение и динамично разгоняется до ограничителя скорости в 83 км/ч, но тут же быстренько упирается в идущий автомобиль с меньшей скоростью 75 км/ч, а совершить обгон возможности нет и ему приходится тормозить до скорости данного транспортного средства, а затем снова разгоняться и пытаться его обгонять.
Способ реализации алгоритма: после промежутка разгона автомобиля на >=10км/ч, должен следовать равномерный участок графика скорости в диапазоне +-2км/ч.
Система выставления баллов:
22 секунды прямолинейного движения — 10 баллов,
18 секунд — 9 баллов,
15 секунд — 8 баллов
// 22 секунды взяты из расчета 500 метров прямой видимости на дороге
Для настройки системы оценок необходимо предусмотреть возможность менять константы в пользовательском режиме, т.к. баллы за критерии приведены в этой статье справочно, для понимания алгоритмов.
Превентивная езда/ Режим торможения
Здесь все аналогично Режиму разгона.
Равномерная скорость движения
Энергия, необходимая для достижения более высоких скоростей, должна поддерживаться как можно дольше, чтобы постоянно поддерживать скорость движения. Лучшая оценка в этом разделе достигается за счет «плавания» в транспортном потоке и недопущения слишком частых и интенсивных процессов ускорения и замедления.
Анти пример: данный параметр нам нужен для борьбы вот с таким вот графиком скорости автомобиля.
Способ реализации алгоритма: Считается количество циклов изменения вектора скорости. Идеальная езда — один цикл от троганья с места до полной остановки.

Система выставления баллов:
10 циклов — 9,0 баллов
20 циклов — 8,0 баллов
!. Изменением вектора считается изменение скорости на величину от 2 км/ч до 10 км/ч. Колебания скорости до 2км/ч обусловлено гистерезисом круиз контроля, а изменение скорости на 10 км/ч и более рассматриваем за дорожную обстановку.
Использование педали газа
Когда водитель орудует педалью газа, система управления двигателем отрабатывает нажатие на педаль газа в процентном значении и даже небольшое кратковременное дерганье педалью приводит к подачам порций топлива для отработки желаемого ускорения, но так как автопоезд с массой 40 тонн слишком инерционен, то такие управляющие воздействия незаметны водителю, но приводят к пустой трате топлива. Ошибочно мнение, что автомобиль сглаживает волнения педали для экономии топлива.
Анти пример: Режим движения водителя по проселочной дороге за впереди идущем авто. Он едет примерно с одной скоростью но постоянно мучает педаль газа туда/сюда пытаясь держаться на одинаковом расстоянии до впереди идущего авто.
Способ реализации алгоритма: Считается количество колебаний процентов нажатия педали газа. Идеальная езда — один цикл от троганья с места до полной остановки.
1 цикл — 10,0 баллов
10 циклов — 9,0 баллов
20 циклов — 8,0 баллов
!. Циклом считается изменение нажатия педали газа на величину от 2 до 30% вниз затем вверх. Аналогия как с равномерной скоростью, только анализируем график нажатия педали газа в %.
Разгон
Процесс разгона должен происходить в зеленом секторе оборотов двигателя. Если водитель разгоняется слишком медленно — то АКПП сбрасывает повышенную передачу на 850-900 об/мин, а зеленый сектор работы турбины начинается с 1040об/мин. Если же разгонять автомобиль слишком сильно — то АКПП переключает передачи в диапазоне 1300-1650 об/мин, а это уже выходит за пределы зеленого сектора.
Способ реализации алгоритма: Считаем количество раз превышения двигателем оборотов свыше 1600 и ниже 1050 при затребованной мощности.
! Если в момент превышения мощности не было затребовано, значит это режим наката или торможения моторного тормоза.
10 раз — 10 баллов
20 раз — 9 баллов
30 раз — 8 баллов
Торможение
Тут все сложно. Важно правильно тормозить! Не только важна сила нажатие педали тормоза, но и алгоритм торможения/Замедления автомобиля, поскольку постоянное и длительное очень легкое торможение палит и перегревает колодки, и его можно заменить использованием не изнашиваемых тормозных систем (торможение оборотами двигателя/ретардер/претардер/моторный тормоз/горный тормоз) . Идеальный алгоритм торможения:
1 этап торможения это накат — 10 сек длительность использования
2 этап торможения это Моторный тормоз ступень 1 — 9 сек
3 этап торможения это Моторный тормоз ступень 2 — 8 сек
4 этап торможения это Моторный тормоз ступень 3 — 7 сек
5 этап торможения это Ретардер ступень 1 — 6 сек
6 этап торможения это Ретардер ступень 2 — 5 сек и только после этого жмем на педаль)))
7 этап торможения это Рабочий тормоз 1-30% — 4 сек
8 этап торможения это Рабочий тормоз 30-50% — 3 сек
9 этап торможения это Рабочий тормоз 50-70% — 2 сек
10 этап торможения это Рабочий тормоз 70-100% — 1 сек
!! На разных авто разное количество ступеней моторного тормоза и ретардера.
Балл за одно торможение зависит от количества ступеней, которые водитель выполнил правильно.
1-10 выполнены, то балл 10,00
2-10 выполнены, то балл 9,00
5-10 выполнены, то балл 8,00
7-10 выполнены, то балл 7,00
Остановки
Поскольку трогание с места является одним из наиболее затратных по топливу процессов (около 700 грамм топлива на разгон сцепки полной массы) при движении, количество остановок, которых можно избежать, следует по возможности сократить до минимума. Тут очень важно понимать что общее количество остановок слишком неинформативный критерий! Есть пробки, особенно их много в Европе. Есть очереди на границах, есть погрузки и выгрузки на которые водители не влияют…
Способ реализации алгоритма: Считаем количество остановок после 3 км пути. Т.е. остановки через каждые 10 метров игнорируем, это пробки/очереди/загрузки/выгрузки.
5 остановок — 10 баллов
10 остановок — 9 баллов
15 остановок — 8 баллов
Сложность трассы
Не все маршруты одинаковы и количество и процент нажатия педали тормоза при поездке в Азербайджан и в Германию очень отличается и в этом нет влияния водителя поэтому сложность трассы тоже необходимо учитывать
«Средний уклон»
«Средний вес»
«Количество положительных остановок (очереди и пробки)»
Способ реализации алгоритма:
А. Средний уклон — акселерометр
Б. Средний вес — CAN
В. Количество остановок = общее количество остановок за вычетом количество ненужных остановок из п.6
Накат
С этим параметром попроще его уже все хорошо считают. Из практики — хороший накат за рейс плавает в размере 14-16% от общего пути .
Неиспользование помощников автомобиля
В современных автомобилях много очень полезных помощников, которые водители так и норовят выключить в пути, мол мне лучше знать как ехать! К примеру рельеф местности загружен практически в каждый современный автомобиль. В Мерседесе данная система называется PPC, и автомобиль выбирает скоростной режим прохождения гор и поворотов учитывая рельеф. К примеру если после высокой горы будет сразу следовать спуск, то в конце подъема на гору машина перестанет поддерживать заданную скорость и закатится на горку на скорости 50км/ч и начнет потихоньку перекатываться горку а затем разгоняться накатом, но не всем водителям такое по душе. А еще машины теперь любят сами заранее тормозить перед поворотом)

Система РРС сама заранее сбросит скорость перед перекрестком.
Оцениваем процент пути с включенными системами
А. Режим AUTO ВКЛ (в сравнении с Manual)
Б. РРС ВКЛ
В. Слежение за разметкой ВКЛ
Г. аварийное торможение ВКЛ
Д. Режим ECONOMY вкл (в сравнении с AUTO)
Е. круиз контроль/ограничитель скорости ВКЛ (круиз + ограничитель)
Ё. Усталость водителя ВКЛ
Ж. Слежение за дорожными знаками ВКЛ
Оценка = (А+Б+0,25*В+0,25*Г+Д+Е + 0,25*Ё + 0,25 * Ж)/6
Мощностная диаграмма пути
При движении водителю необходимо избегать диапазонов высоких оборотов при низких нагрузках и диапазонов низких оборотов при высоких нагрузках . Поэтому будем контролить режимы:
Считаем секунда вне зеленого диапазона и штрафуем голубчика))) Кстати, зачастую водители чтобы сымитировать повышенный расход топлива, к примеру после установки ДУТ, кидает автомобиль на 10 передачу вместо 12 и едет весь день на 1600 оборотах при малой нагрузке. А тут мы его и подловим) А также здесь будут видны обгоны на скорости.
Вибрация от внешнего датчика вибрации на раме
Этим параметром мы будим приучать водителей бережно относиться к авто и тормозить на лежачих полицейских и ямах в колено.
Способ реализации алгоритма: Устанавливаем внешний датчик вибрации на раме и проезжаем спящий на 20 км/ч, и удар в средненькую яму на скорости 60км/ч. Смотрим показания датчика, определяемся с какой-то критической величиной и все последующие колебания свыше этого значения штрафуем
10,0 – 0 ударов за рейс
9,00 – 2 удара за рейс
8,00 – 4 удара за рейс
Внутренний акселерометр в данном случае не подойдет, т.к. спящие на скорости 60 км/ч пневмоподвеска рама+кабина глотает. А вот колеса становятся квадратными!
P.S.. В заключении нужно сказать, что, анализируя и влияя на водителей в рамках этих критериев возможно максимально минимизировать негативное влияние водителя на расход топлива. Однако не стоит забывать, что помимо стиля вождения на расход также влияет и техническое состояние транспортного средства, и в борьбе за экономию топлива необходимо должное влияние уделять также и техническому состоянию ТС.
Приведу небольшой пример: при закоревании направляющих тормозного суппорта одного из колес на ведущей оси, расход топлива за рейс Минск, РБ-Вольфсбург, Германия – Минск, РБ вырос с 24,9 до 29,2 л/100км. Наш менее опытный водитель даже не заметил ничего неладного в пути, т.к. ступица ведущей оси рассеивает тепло через бортовую и масло моста, и колесо грелось сильнее остальных, но не критично больше, а опытный водитель в следующем рейсе жаловался на слабый накат автопоезда и легкий запах паленых колодок после длительного вождения. И стоит отметить, что используемая смазка в направляющих, имеет срок службы 36 месяц, после чего она высыхает и теряет свои свойства.
Но как видим не каждый водитель способен увидеть данные тонкие проблемы, и, следовательно, человеческий фактор необходимо по максимум исключать в нашей работе!)
Самый главный вопрос – почему стоит прислушиваться к нашему мнению?
Наша компания заняла 1 место в Mercedes-Benz FleetBoard Driver’s League среди стран СНГ.
Среднегодовой расход по автопарку за 2020 год 24,6 л/100 км (14 машин, 130-140 т.км пробега на каждый грузовик, 27 водителей)
UPD: собирая обратную связь с комментариев буду делать их небольшой анализ сразу за текстом в виде тезисов, т.к. большая часть комментариев дублируются по смыслу!
1. Расход топлива — это головная боль предприятия а не водителя, поэтому он даже не фигурирует в алгоритмах. Какие машины более экономичны, правильные и своевременные ремонты, качество покупаемого топлива, выбор оптимальных маршрутов и прочее. Водителя эти вопросы не касаются, его задача управлять автомобилем максимально эффективно исходя из дорожной обстановки и погодных условий, и не воровать солярку, все! Вопрос как успеть доставить груз вовремя (скорость движения авто) — это не головная боль водителя, это задача экспедитора! Автомобиль с водителем профессионалом имеет предсказуемый и прогнозируемый режим движения, от чего и отталкивается экспедитор при расчетах и планировании. Сейчас видно и время водителя по чипу (тахографу) в режиме онлайн, и местоположение и можно даже получить фото и видео с регистратора автомобиля. Поэтому сроки доставки груза — это зона ответственности экспедитора а не водителя. Гонения водителя давай давай ты не успеваешь, вставляй помощника, доедешь поспишь — это удел фирм, на которых заработок денег идет за счет «наживания и выжимания» на сотрудниках. Мне не интересно обсуждать проблемы таких компаний и предприятий)
2. Данные алгоритмы не нацелены на некую коренную ломку принципов управления автомобилем в угоду экономичности. Мы используем данную методику уже более трех лет. Она позволяет оценивать навыки управления автомобилем каждого водителя в отдельности на всем протяжении пути в автоматическом режиме. За счет чего можно видеть слабых водителей, проводить с ними работу над ошибками. Водители, имеющие высокий уровень профессионализма, с первых рейсов показывают высокие баллы вождения и приличные результаты экономичности. Но как показала практика далеко не всех водителей, порой даже с приличным стажем вождения, можно отнести к профессионалам) Матерые ребята со скепсисом выслушивают все условия и говорят пффф. кого ты лечишь. и показывают уровень! ) Но с каждым годом, доля водителей со слабыми профессиональными навыками растет все больше и больше.
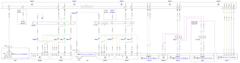
Дооснащение: Disrtonic Plus с системой превентивного торможения BASPro. Коды 233, 237, 238

Данная система установлена уже давно больше года, наконец то решил написать что и как!
Для начала давайте разберемся что есть что, что такое Distronic Plus и какие системы он в себя включает!
Готовьтесь читать придется много!
[Общая информация]
DISTRONIC включается в себя следующие системы:
Активная система поддержания заданной дистанции. Код 233
Активная система помощи движения в полосе. Код 238
Активная система контроля мертвых зон. Код 237
Активная система экстренного торможения PRE-SAFE. Код 299
Активная система поддержания заданной дистанции DISTRONIC
Электрический модуль управления DISTRONIC имеет следующие задачи:
— Активация, питание и анализ параметров цели интегрированного радара дальнего действия
— Управление анализом цели (радар дальнего действия)
— Передача данных объекта для продольного регулирования положения а/м на блок управления видео- и радарными датчиками (а/м с КОДОМ 233 (DISTRONIC PLUS))
— Передача данных объекта для контроля пространства перед а/ м на блок управления видео- и радарными датчиками (а/м с КОДОМ 237 (Активная система мониторинга "слепых" зон))
Модуль управления DISTRONIC расположен спереди по центру за стеклянной эмблемой марки.

Система "Distronic Plus" регулирует скорость и помогает водителю автоматически выдерживать выбранную дистанцию до движущегося впереди автомобиля. Распознавание автомобилей производится при помощи радарных датчиков. Для поддержания установленной скорости система "Distronic Plus" автоматически притормаживает автомобиль.
Если система "Distronic Plus" распознала опасность наезда, то она предупреждает Вас об этом при помощи световой и звуковой сигнализации. Система "Distronic Plus" не в состоянии предотвратить столкновение без Вашего вмешательства. В таком случае включается прерывистый предупредительный звуковой сигнал и на комбинации приборов загорается предупредительная сигнальная лампа сближения до минимальной допустимой дистанции. Немедленно произведите торможение для увеличения дистанции до движущегося впереди автомобиля или произведите объезд препятствия.
Если перед Вами не движется никакой автомобиль, система "Distronic Plus" функционирует в режиме ТЕМПОМАТА в диапазоне скоростей от 30 до 200 км/ч. Если впереди движется автомобиль, то система функционирует в диапазоне скоростей от 0 до 200 км/ч.
Система "Distronic Plus" не реагирует на:
— Людей и животных,
— Неподвижные препятствия на полосе движения, например, остановившийся или припаркованный автомобиль,
— Автомобили, движущиеся во встречном или поперечном направлениях.
Вследствие этого система "Distronic Plus" не может произвести предупреждение или торможение.
Система "Distronic Plus" производит торможение Вашего автомобиля с замедлением до 40 % максимально возможного торможения. Если этого замедления недостаточно, то система "Distronic Plus" предупреждает Вас об этом при помощи световой и звуковой сигнализации.
Если система "Distronic Plus" больше не распознает движущийся впереди автомобиль, то возможно неожиданное ускорение до введенной в память скорости системой "Distronic Plus".
С помощью рычага переключателя ТЕМПОМАТА Вы можете управлять системой "Distronic Plus" и системой переменного ограничения скорости "СПИДТРОНИК".
Индикатор LIM на рычаге переключателя ТЕМПОМАТА показывает Вам, какую функцию Вы выбрали:
— Индикатор LIM выключен: выбрана система "Distronic Plus".
— Индикатор LIM включен: выбрана система переменного ограничения скорости "СПИДТРОНИК".

1 Включение или повышение скорости
2 Установка заданной дистанции
3 Индикатор LIM
4 Включение с поддерживаемой в данный момент или с последней введенной в память скоростью
5 Включение или снижение скорости
6 Переключение между системой "Distronic Plus" и системой переменного ограничения скорости "СПИДТРОНИК"
7 Выключение системы "Distronic Plus"
Установка скорости
Учитывайте, что ускорение или притормаживание автомобиля до установленной скорости может занять несколько секунд.

— Для установки более высокой скорости нажмите на рычаг переключателя ТЕМПОМАТА вверх 1, а для установки более низкой скорости – вниз 2
— Нажмите на рычаг переключателя ТЕМПОМАТА и держите его нажатым до достижения требуемой скорости
— Отпустите рычаг переключателя ТЕМПОМАТА.
Новая скорость введена в память. Система "Distronic Pluss" включена и устанавливает новую введенную в память скорость.
— Установка шагами по 1 км/ч: коротко нажмите рычаг переключателя ТЕМПОМАТА до точки сопротивления вверх или вниз
— Установка шагами по 10 км/ч: коротко нажмите рычаг переключателя ТЕМПОМАТА с преодолением точки сопротивления вверх или вниз
Установка заданной дистанции
Заданную дистанцию для системы "Distronic Plus" можно установить, выбрав для этого промежуток времени от одной до двух секунд. Тем самым, в зависимости от поддерживаемой Вами в данный момент скорости, Вы устанавливаете, какая дистанция до движущегося впереди автомобиля должна поддерживаться системой "Distronic Plus".

— Увеличение: поверните регулятор 2 в направлении 3
Система "Distronic Plus" поддерживает более длинную дистанцию до движущегося впереди автомобиля.
Уменьшение: поверните регулятор 2 в направлении 1
Система "Distronic Plus" поддерживает более короткую дистанцию до движущегося впереди автомобиля.
Если распознается движущийся впереди автомобиль и появляется его индикация на мультифункциональном дисплее, то включение системы "Distronic Plus" возможно также на скорости ниже 30 км/ч. Если движущийся впереди автомобиль больше не распознается, например, при его перестроении на другую полосу движения, то система "Distronic Plus" выключается.

1 Движущийся впереди Вас автомобиль, если он распознан
2 Шкала расстояния: поддерживаемая в данный момент дистанция до движущегося впереди автомобиля
3 Заданная дистанция до движущегося впереди автомобиля, устанавливаемая
4 Ваш автомобиль
Система "Distronic Plus" включена и перенимает при первом активировании поддерживаемую в данный момент скорость или устанавливает последнюю введенную в память скорость.
Если Вы хотите тронуться с места при помощи системы "Distronic Plus": снимите ногу с педали тормоза.
Коротко потяните рычаг переключателя ТЕМПОМАТА на себя, слегка нажмите вверх или вниз или осторожно нажмите на педаль акселератора.
Автомобиль трогается с места и адаптирует свою скорость к скорости движущегося впереди автомобиля.
Если перед Вами не движется автомобиль, система "Distronic Plus" переключается в режим TEMPOMATА. Если система "Distronic Plus" распознает замедление движущегося впереди автомобиля, то Ваш автомобиль притормаживается. Таким образом удерживается выбранная Вами дистанция. Если система "Distronic Plus" распознает ускорение движущегося впереди автомобиля, то автомобиль ускоряется. При этом скорость автомобиля повышается максимально до введенной в память скорости. При нажатии на педаль тормоза система "Distronic Plus" выключается.
Смена полосы движения
При смене полосы движения для обгона, система "Distronic Plus" оказывает Вам поддержку, если:
— Скорость движения автомобиля превышает 60 км/ч
— Система "Distronic Plus" удерживает выбранную Вами дистанцию до движущегося впереди автомобиля
включается соответствующий указатель поворота
— Система "Distronic Plus" не распознает в данный момент опасность столкновения
При выполнении этих предпосылок производится ускорение Вашего автомобиля. Процесс ускорения прерывается, если перестроение длится слишком долго или дистанция до движущегося впереди автомобиля становится ниже минимально допустимой.
Активная система контроля мертвых зон
Активная система мониторинга "слепых" зон использует функциональные возможности системы мониторинга "слепых" зон. Кроме того, активная система мониторинга "слепых" зон может инициировать задействование тормозной системы с корректировкой направления движения, учитывая с помощью с системы мониторинга "слепых" зон окружение автомобиля. Активные задействования тормозной системы выполняются выборочно на определенное колесо и влияют на корректировку направления движения.
В случае обнаружения опасности столкновения с автомобилями, находящимися в "слепой" зоне, это может предотвратить аварию или снизить степень серьезности ее последствий.
Зона, которая не видна в наружных зеркалах заднего вида и во внутрисалонном зеркале заднего вида, контролируется следующими компонентами:
— Интеллектуальный радарный датчик в бампере сзади слева
— Интеллектуальный радарный датчик в бампере сзади справа

Вмешательство для корректировки направления движения требует наблюдения за пространством впереди автомобиля, чтобы избежать столкновения с другими участниками движения из-за возможного изменения движения.
Контроль передней зоны осуществляется следующими компонентами:
— Электрический модуль управления "Distronic Plus"
— Датчик "Distronic Plus" в бампере спереди слева
— Датчик "Distronic Plus" в бампере спереди справа

Датчики "Distronic Plus" переднего бампера и радарные датчики заднего бампера передают соответствующие данные по шине данных датчика в блок управления видео- и радарными датчиками. Электрический модуль управления "Distronic Plus" передает соответствующие данные по шине данных систем управления динамикой движения в блок управления видео- и радарными датчиками. Анализом всех необходимых данных занимается блок управления видео- и радарными датчиками.

A Колея с автомобилем в "слепой" зоне в процессе обгона
B Полоса движения с автомобилем с системой мониторинга "слепых" зон
t1 А/м въезжает в мертвую зону
t2 Распознан автомобиль в "слепой" зоне, вывод звуковых и визуальных предупредительных сообщений
t3 Активация задействования тормозной системы с изменением траектории движения (для кода (237) "Активная система мониторинга "слепых" зон")
t4 Задействование тормозной системы с изменением траектории движения завершено, столкновение предотвращено (для кода (237) "Активная система мониторинга "слепых" зон")
Зона обнаружения радарных датчиков вкл. контроль за пространством впереди автомобиля на а/м с кодом (237) Активная система мониторинга "слепых" зон.

1 Автомобиль с системой мониторинга слепых зон
2 Автомобиль в слепой зоне
3 Зона обнаружения сзади слева
4 Зона обнаружения сзади справа
5 Зона обнаружения слева спереди (ближняя зона)
6 Зона обнаружения справа спереди (ближняя зона)
7 Зона обнаружения спереди (дальний радиус действия)
Зоны обнаружения интеллектуальных радарных датчиков сзади и вперены основаны на углах отражения радиолокационных волн. Они регулируются блоком управления видео- и радарными датчиками в сторону увеличения и показывают фактические зоны контроля.
Активная система помощи движения в полосе
Система удержания полосы движения распознает нежелательное пересечение дорожных разметок и в определенных ситуациях подает водителю осязательное предупреждение через вибрации рулевого колеса. Пересечение дорожных разметок визуально распознается и обрабатывается мультифункциональной камерой. Осязательное предупреждение создается вибрационным электродвигателем рулевого колеса. Система удержания полосы движения учитывает поведение водителя и определяет, в какой момент времени будет подано предупреждение.

Мультифункциональная камера, расположенная вверху посредине на лобовом стекле, визуально распознает пространство впереди автомобиля. Для этого мультифункциональная камера с фиксированной скоростью считывания анализирует изображения полосы движения и передает их на встроенный в мультифункциональную камеру блок управления. Мультифункциональная камера замечает отсутствие дорожного полотна на основании дорожной разметки.

На основании зарегистрированной последовательности изображений и измеренных значений дорожной разметки мультифункциональная камера рассчитывает полосу движения. В основе данного расчета лежит соответствующий алгоритм.
На основании этих данных мультифункциональная камера определяет относительное положение а/м на полосе движения. На этом основываются все меры, принимаемые системой удержания полосы движения.
Теперь давайте разберемся как выглядит структура всех систем и что требуется для них

Радары в передний и задний бампер A0009059906 (A0009058104 или A0009055701) — 4 шт.
Радар дальнего действия A2129004603
Звезда на решетку A1648880411
Проводка для радаров в заднем бампере A1664401432
Кронштейн для крепления блока радарных датчиков A1665454040
Блок радарных датчиков A0009004601
Мат AKSE в сиденье пассажира A166870007964
Зеркальный элемент слева A1668100719
Зеркальный элемент справа A1668100619 (A1668100819)
Проводка под радары передний бампер A1664408613
Левый/правый кронштейны для задних радаров A1668850114 и A1668850214
Многофункциональная камера в лобовое стекло A0009057402 или A0009050538
Видеокабель от камеры до блока радарных датчиков (номера нет, обычный LVDS)
Блок подрулевых переключателей со всеми опциями (A1669008700 или A1669000103 или A1669007206 или A1669009507)
Плата в руль A1664640617
Вибромотор в руль A1669063101
Блок ESP A1664313412 или A1664314912
Большинство запчастей уже было установлено до:
Но необходима была переделка:
1) От камеры провести дополнительно видеокабель до блока радарных датчиков
2) Переделка кан шины от задних радаров (с Дистроником задние радары подключены к блоку радарных датчиков

Крепление для переднего радара уже имеется в базе, нужно его установить и подключить по схеме


Блок радаров устанавливается на боковую стенку возле водителя

Также необходимо установить в сиденье пассажира мат распознавания присутствия пассажира и детского кресла AKSE


И да необходимо заменить блок системы стабилизации ESP для комфортного торможения. Если не менять буду рывки при торможении!

После установки всех запчастей, протяжки проводки, необходимо все закодировать!



Естественно все активные системы необходимо адаптировать и обучить, а для этого потребуется немного покататься.

Только после этого все системы заработают как с завода

Подведя итоги, кратко опишу, что добавилось:
Активная система поддержания заданной дистанции. Код 233
Машина сама может держать дистанцию до впереди идущего автомобиля
Активная система помощи движения в полосе. Код 238
Машина умеет сама возвращаться в занимаемую полосу движения при наезде на сплошную линию
Активная система контроля мертвых зон. Код 237
Машина может распознать в мертвой зоне автомобиль и не дать наехать на него при перестроении из занимаемой полосы движения
Активная система экстренного торможения PRE-SAFE. Код 299
Машина может оповещать о опасной ситуации в следствии быстрого сближения впереди идущего автомобиля, а также производить экстренную остановку.
Немного видео как работает системы
Хотелось бы добавить информацию по работе "Distronic Plus " в различных дорожных ситуациях
Повороты, вход и выход из поворотов
Возможности распознания системой "Distronic Plus " автомобилей в зоне поворота ограничены. Торможение автомобиля может произойти неожиданно или с опозданием.

Движение со смещением
Система "Distronic Plus" может не распознать автомобиль, движущийся впереди со смещением. Дистанция до движущегося впереди автомобиля окажется в таком случае слишком мала.

Перестроение движущихся впереди Вас автомобилей
Система "Distronic Pluss" может не распознать внезапно перестраивающийся на Вашу полосу движения автомобиль. Дистанция до внезапно меняющего полосу движения автомобиля окажется в таком случае слишком мала.

Узкие транспортные средства
Система "Distronic Pluss" может своевременно не распознать движущееся впереди Вас у края дорожного полотна транспортное средство ввиду его небольшой ширины. Дистанция до движущегося впереди автомобиля окажется в таком случае слишком мала.

Препятствия и стоящие автомобили
Система "Distronic Plus" не реагирует торможением на неподвижные препятствия или стоящие автомобили. Если, например, распознанный движущийся впереди автомобиль производит поворот, а перед ним находится препятствие или стоящий автомобиль, то система "Distronic Plus" не производит торможение.

Автомобили, движущиеся в поперечном направлении
Система "Distronic Plus" может ошибочно среагировать на автомобили, движущиеся в поперечном направлении. Если Вы, например, включите систему "Distronic Plus" на перекрестке у светофора, автомобиль может неожиданно тронуться с места.

На этом все!
Всем спасибо за просмотр.
В ближайшем будущем добавлю еще много статей по машине, тут уже очень много всего сделано!